一、产品简介
WS50-200系列垂直螺翼式水表是一种适合在大口径管路中使用的螺翼式水表。其主要特色是流通能力大、压力损失小。当水流入该水表后,沿轴线方向冲击水表螺翼形的叶轮旋转后流出,叶轮的转速与水流速度成正比,经过减速齿轮传动后,在指示装置上显示通过水表的水总量。不适宜有腐蚀性的液体,其水表技术参数全面优于LXS型旋翼式水表,是其提高计量等级,合理计费的换代产品。生产标准为ISO4064(GB/T778-2007)。
二、产品特点
1. 始动流量小,便于精密测量。
2. 螺翼式叶轮垂直放置,以不锈钢滚珠作为支撑,从而使摩擦阻力降至较低。即使单个家庭的洗衣,如厕或淋浴等用水,也能使用此类水表计量。
3. 防污性能强:内置不锈钢滤水网,省去了独立安装过滤器的费用和麻烦。在线可拆式结构设计,从而使水表维护工作量降至非常低,水表能在水质环境恶劣的条件下正常工作,必要时可在安装现场拉出全套机芯,快速清理杂物。
4. 计量量程宽:螺翼式叶轮外径大于公称口径,使其能承受更大的流量,而小流量性能优越,量程比较宽,实际可达200-400倍。
5. 使用寿命长:大叶轮低转速设计,两端的摩擦副是刚玉-不锈钢滚珠-刚玉-碳纤维耐磨塑料,硬质合金--刚玉-碳纤维耐磨塑料,特别是滚珠不是固定点磨损的,因而能长期保证计量性能。
6. 加大字轮显示读数,可在表井外抄读。
7. 在水质环境恶劣的条件下正常工作。耐磨塑料,特别是滚珠不是固定点磨损的,因而能长期保证计量性能。
8. 垂直螺翼式水表前后直管段要求大大降低,便于在窄小空间安装。
9. 湿式液封结构读数清晰,灵敏度好,防磁;同时,也有磁传干式结构,主要供出口和远传用。
10. 无需将水表从管道中拆卸,即可拆卸水表测量机构,便于水表维修。
11. 表壳内腔和外表面经塑料粉末喷涂处理,具有良好的防护性能。
12. 垂直螺翼式式水表技术参数全面优于水平螺翼式水表,属于优秀的替换产品。
13. 压力损失小。
14. 可适用于冷水≤50℃。
15. 水压:≤1MPa,1.6MPa, 2.5Mpa或者4.0Mpa。
16. 可预留远传发讯,带磁脉发讯接口功能,便于远抄表。
17. 上下游流场敏感度等级:UO DO。
三、流量技术参数
| 公称口径 DN | 计量等级 | 最大流量 Qs | 常用流量 Qp | 分界流量 Qt | 最小流量 Qi | 最小读数 | 最大读数 |
| mm | m3/h | m3 | |||||
| 50 | C | 30 | 15 | 22.5 | 90 | 0.0005 | 999999 |
| 80 | C | 80 | 40 | 60 | 240 | 0.0005 | 999999 |
| 100 | C | 120 | 60 | 90 | 360 | 0.0005 | 999999 |
| 150 | C | 300 | 150 | 225 | 900 | 0.005 | 9999999 |
| 200 | C | 500 | 250 | 375 | 1500 | 0.005 | 9999999 |
| 公称口径 DN | 计量等级 | 过载流量 Q? | 常用流量 Q? | 分界流量 Q? | 最小流量 Q? | 最小读数 Min | 最大读数 Max |
| mm | R | m3/h | m3 | ||||
| 50 | 160 | 50 | 40 | 400 | 250 | 0.0005 | 999999 |
| 200 | 320 | 200 | |||||
| 80 | 160 | 78.7 | 63 | 630 | 393.75 | 0.0005 | 999999 |
| 200 | 504 | 315 | |||||
| 100 | 160 | 125 | 100 | 1000 | 625 | 0.0005 | 999999 |
| 200 | 800 | 500 | |||||
| 150 | 160 | 312.5 | 250 | 2500 | 1562.5 | 0.005 | 9999999 |
| 200 | 2000 | 1250 | |||||
| 200 | 160 | 500 | 400 | 4000 | 2500 | 0.005 | 9999999 |
| 200 | 3200 | 2000 | |||||
四、最大允许误差
?、?低区 (Q?≤Q<Q?) 最大允许误差为±5%
?、?高区 (Q?≤Q≤Q?) 最大允许误差为±2%

五、压力损失曲线

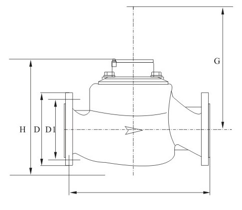
六、外形及规格尺寸

| 公称口径 DN | 长 L | 宽 W | 高 H | 连接法兰 | ||
| mm | 法兰外径 D | 螺栓孔中心圆直径 D1 | 螺栓 | |||
| 50 | 280 | 245 | 300 | 165 | 125 | 4xM16 |
| 80 | 370/225 | 280 | 300 | 200 | 160 | 8xM16 |
| 100 | 370/250 | 300 | 345 | 220 | 180 | 8xM16 |
| 150 | 500 | 335 | 445 | 285 | 240 | 8xM20 |
| 200 | 550 | 386 | 476 | 340 | 295 | 8xM20 |