一、产品简介
LXLC-80E~200E(湿式)、LXLC-80F~200F(液封)系列水平螺翼式水表是一种不可拆卸式水表。使用了螺板形叶轮,又称螺翼或翼轮。其工作量程宽,安装维修方便,体积小,灵敏度低,因此主要应用于各种大口径管道。其螺翼轴线与水流管道轴线成平行(或重合),其叶轮采用螺翼形状,一般为水平安装方式。
二、产品特点
1. 不可拆卸结构;
2. 湿式E型具有计量精度高,始动流量小的优势;
3. 液封F型的计数器采用特殊液体封装,防污性好,能长期保持读数清晰;
4. 通用性强;
5. 结构紧凑;
6. 流通能力大,压力损失?。?/p>
7. 直管段要求:U10,D5;
8. 可适用于冷水≤50℃或热水≤90℃(除湿式与液封水表以外);
9. 水压 ≤1MPa、1.6MPa、2.5Mpa或4.0Mpa。
三、流量技术参数
| 公称口径 DN | 计量等级 | 过载流量 Q? | 常用流量 Q? | 分界流量 Q? | 最小流量 Q? | 最小读数 Min | 最大读数 Max |
| mm | m3/h | m3 | |||||
| 80 | B | 80 | 40 | 8 | 1.2 | 0.002 | 999999 |
| 100 | B | 120 | 60 | 12 | 1.8 | 0.002 | 999999 |
| 125 | B | 200 | 100 | 20 | 3 | 0.002 | 999999 |
| 150 | B | 300 | 150 | 30 | 4.5 | 0.002 | 999999 |
| 200 | B | 500 | 250 | 50 | 7.5 | 0.002 | 999999 |
四、最大允许误差
?、?低区 (Q?≤Q<Q?) 最大允许误差为±5%
?、?高区 (Q?≤Q≤Q?) 最大允许误差为±2%

五、压力损失曲线

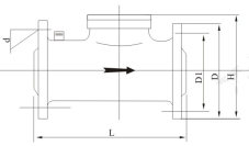
六、外形及规格尺寸

| 公称口径 DN | 长 L | 宽 B | 高 H | 连接螺纹 | ||
| mm | 法兰外径 D | 螺栓孔中心圆直径 D1 | 连接螺栓 | |||
| 80 | 250 | 286 | 400 | 220 | 180 | 8xM16 |
| 100 | 250 | 301 | 400 | 250 | 210 | 8xM16 |
| 125 | 300 | 346 | 500 | 285 | 240 | 8xM20 |
| 150 | 350 | 373 | 500 | 340 | 295 | 8xM20 |
| 200 | 450 | 493 | 730 | 395 | 350 | 12xM20 |
七、水平与垂直螺翼式水表优点对比
1.水平螺翼式水表的优点:
①压力损失小
?、谔寤喽孕。亓肯喽郧?/p>
?、劭刹鹦妒降谋砜梢允迪植煌K邪沧昂臀蕖?/p>
?、艹杀窘系?/p>
2.垂直螺翼式水表的优点:
?、倭砍瘫萉?/Q?相对较大
②直管段要求较低
?、哿槊舳冉虾?/p>
?、艿徒叱?,取消涡轮蜗杆传动机构,由叶轮直接驱动计数器,耐久性能好
八、安装与使用
1. 确定水平螺翼式水表的口径,应先了解管道内流量大小,以经常使用流量接近常用流量为宜,不能单纯以管道直径确定水表的口径。
2.水表的上游和下游可选择安装必要的直管段或与其等效的水流整流器;对于由弯管或离心泵所引起的水流旋转情况,可在直管段前安装整流器,以提高计量准确性。
3.新装管通务必把管道内的石子,泥沙,麻丝等杂物冲洗干净后方可安装水表,以防止水表损坏或发生故障。新装或更换水表后通水,应该缓慢打开水表的进水阀门,防止由于管道内空气快速流经水表造成水表部件损坏。
4.水表与上下游直管段要同轴水平安装,密封垫圈不得突入管内,以免引起计量不准。
5.安装地点应避免暴晒,冰冻,污染和水淹,以免影响拆装和抄表。
6.水表安装应有旁路,以保证拆装水表时不停水,水表安装要注意水流与水表表壳上的箭头方向保持一致,以防反装,水表上游和下游要安装阀门,使用时全部打开。
7.对于DN100以上的此类水表,应留出适当的通道以便将水表运入工作位置或移走。此外,工作位置周围应留出适当空间以便安装起重装置。
8.在非掩埋的情况下,水表及其相关管件的上方至少留有700mm的自由空间。
9.为防止水表受管路的冲击或振动,应在安装前清除引起振动的可能因素,必要时在管道上安装柔性接头,对于DN150以上水表应使用软垫将底座和固定装置与地基隔离。
10.150~200mm口径大小的水平螺翼式水表的抄读读数应是字轮所显示读数的10倍。(水表的度盘上已标明“X10”)
九.常见故障及解决方法:
1.出水量减少:可能是水压偏低,过滤器滤网堵塞,需清洗水表与过滤器。
2.水表停走:可能是异物卡住叶轮,零件磨损或损坏,需更换水表零部件。
如果您正在使用的水平螺翼式水表有上述故障,一定要找有资质的人员进行处理,并且需要重新检定后才可以安装使用。