一、视频实拍
二、产品简介
LXLC-40~600、LXLC-40B~600B、LXLC-40K~600K系列可拆卸螺翼式水表是一种水平结构的水表,又可称为涡轮式水表,水表的螺翼轴线与自来水管道轴线成平行(或重合),叶轮采用螺翼形状。不过这并不是说本类水表只能水平安装,如确需要垂直安装时,则应选择进水一侧螺翼轴轴承孔中装有宝石端面平轴承的水表,以减少磨擦阻力,延长水表的使用寿命。
三、产品特点
1. LXLC-K系列水表可达C级;
2. 指示机构采用磁传结构,具有防磁干扰功能;
3. 干式计数器,采用真空封装,可防冷凝雾化,长期保持清晰读数;
4. 可拆卸式结构,无需把表壳从管道上拆下,就能比较方便的更换维修;
5. 压力损失?。?/p>
6. 可适用于≤50℃冷水或≤90℃热水(湿式和液封水表除外);
7. 水压 ≤1MPa,1.6MPa,2.5Mpa或4.0Mpa;
8. 可根据用户要求可增加远传脉冲输出功能。
四、流量技术参数
| 公称口径 DN | 计量等级 | 最大流量 Qs | 常用流量 Qp | 分界流量 Qt | 最小流量 Qi | 最小读数 | 最大读数 |
| mm | m3/h | m3 | |||||
| 40 | B | 20 | 10 | 0.8 | 0.2 | 0.0002 | 999999 |
| 50 | B | 30 | 15 | 3 | 0.45 | 0.0002 | 999999 |
| 65 | B | 50 | 25 | 5 | 0.75 | 0.0002 | 999999 |
| 80 | B | 80 | 40 | 8 | 1.2 | 0.002 | 999999 |
| 100 | B | 120 | 60 | 12 | 1.8 | 0.002 | 999999 |
| 125 | B | 200 | 100 | 20 | 3 | 0.002 | 999999 |
| 150 | B | 300 | 150 | 30 | 4.5 | 0.002 | 999999 |
| 200 | B | 500 | 250 | 50 | 7.5 | 0.002 | 999999 |
| 250 | B | 800 | 400 | 80 | 12 | 0.002 | 999999 |
| 300 | B | 1200 | 600 | 120 | 18 | 0.02 | 9999999 |
| 350 | B | 1600 | 800 | 160 | 24 | 0.02 | 999999999 |
| 400 | B | 2000 | 1000 | 200 | 30 | 0.02 | 999999999 |
| 500 | B | 3000 | 1500 | 300 | 45 | 0.02 | 999999999 |
| 600 | B | 6000 | 3000 | 600 | 90 | 0.02 | 999999999 |
五、最大允许误差
?、?低区(Q?≤Q<Q?) 最大允许误差为±5%
?、?高区(Q?≤Q≤Q?) 最大允许误差为±2%

六、压力损失曲线
![]() | ![]() |
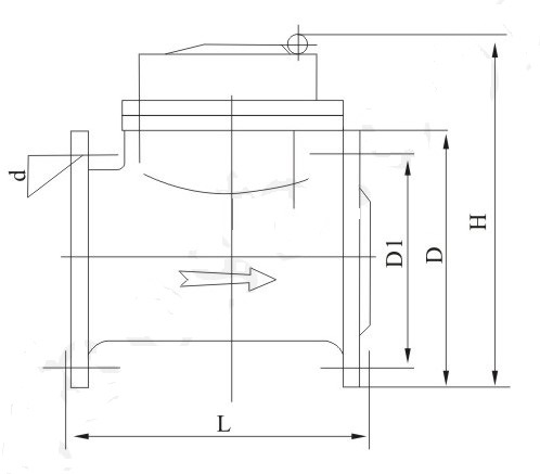
七、外形及规格尺寸

| 公称口径 D | 长 L | 宽 W | 高 H | 连接螺纹 | ||
| mm | 法兰外径 D | 螺栓孔中心圆直径 D1 | 连接螺栓 | |||
| 40 | 200 | 256 | 400 | 165 | 125 | 4xM16 |
| 50 | 200 | 256 | 400 | 165 | 125 | 4xM16 |
| 65 | 200 | 256 | 400 | 185 | 145 | 4xM16 |
| 80 | 225 | 276 | 400 | 200 | 160 | 8xM16 |
| 100 | 250 | 286 | 400 | 220 | 180 | 8xM16 |
| 125 | 250 | 301 | 400 | 250 | 210 | 8xM16 |
| 150 | 300 | 346 | 500 | 285 | 240 | 8xM20 |
| 200 | 350 | 373 | 500 | 340 | 295 | 8xM20 |
| 250 | 450 | 493 | 730 | 395 | 350 | 12xM20 |
| 300 | 500 | 516 | 730 | 445 | 400 | 12xM20 |
| 350 | 500 | 560 | 730 | 520 | 470 | 12xM21 |
| 400 | 600 | 631 | 830 | 565 | 515 | 16xM24 |
| 500 | 800 | 785 | 930 | 715 | 650 | 20xM30 |
| 600 | 1000 | 865 | 1030 | 840 | 770 | 20xM33 |
八、安装使用与维护方法
1.选择可拆卸螺翼式水表的口径,应先了解管道内流量大小,以经常使用流量接近常用流量为宜,不能单纯以管道直径确定水表口径;
2.为保证水表计量的准确,其上游和下游要有足够长的直管段或安装与其等效的水流整流器装置,上游直管段的长度不小于U10,下游直管段不小于D5。建议安装时远离水泵和弯道,避免安装周边的冲击和震动,对于弯管或水泵所引起的涡流旋转情况,必须在直管段处安装整流装置,以防水表计量误差;
3.安装水表前,应清除管道内的石子、泥沙等杂物,安装时不应承受由管道和管件引起的过渡应力,必要时应将水表安装在托架上,水表最好在管道下游选用相同口径套管伸缩器连接过渡,有震动源或需重压管道的水表处,请用高压橡胶管连接过渡。安装后,通水时缓慢开启阀门,管道满水后阀门完全打开,以防止水表损坏或发生故障;
4.水表上、下游直管段要同轴安装,密封垫圈不得突入管内,以免引起计量不准,水表上游处请安装与水表公称口径相一致的过滤器(可另外订购),过滤器要经常取出清洗,以确保水表计量的准确性;
5.安装位置要避免暴晒、冰冻、污染和水淹,以便拆装和抄表。冰冻期间,除将水表和水管包扎外,不用时把水表进水端阀门关闭,出水端放水阀和水龙头打开,可防止水表因冰冻膨胀损坏,建议安装在专用水表井内;
6.水表安装应有旁管路,以保证拆装水表时不停水,水表安装要注意水流与水表表壳上的箭头方向保持一致,以防反转,水表上游和下游要安装相同口径阀门,正常使用时要求全部打开,以保证水表计量准确;
7.冷水水表装在锅炉或有热水回流的方向,需装止回阀,防止热水回流烫坏水表;
8.为正常使用水表请按照安装示意图进行安装,过滤器应该安装在水表进水口前离水表20D(D为水表公称口径)直管段上和容易拆卸的位置上,以便经常清洗,保证水表计量准确,过滤器可向我厂销售部联系订购。
