一、视频实拍
二、产品简介
WMD15~50系列电子远传水表是一种没有计数器的全电子式水表,用于测量流经自来水管道饮用水的用量,口径大小为15~50mm,生产标准是ISO4064。
三、产品特点
1. 超低功耗与长寿命设计,,电路终生免维护;
2. 液晶数字化直接读数,准确显示计量信息;
3. 采用先进的数据编码和验证技术,通讯可靠性高;
4. 满足EMC/ESD/EMI要求,电子产品电磁兼容性设计要求达到行业内优秀水平;
5. 防水等级可达IP68级,适合各种复杂的场所使用;
6. 防滴漏、防倒流;
7. 高灵敏性和高耐磨性结构设计,使用寿命长;
8. 防外磁干扰;
9. 与流量计相同的功能;
10. 表壳的长度有多种可供选择;
11. 表壳材料为铜或者铁;
12. 本水表还可实现无线传输;
13. 符合ISO4064 B级或C级标准或R80,R100,R125,R160;
14. 可适用于冷水≤50℃,热水≤90℃;
15. 水压≤1MPa或1.6MPa (即10bar或16bar)。
四、流量技术参数
| 公称口径 | 英寸 | 计量等级 | Qmax | Qn | Qt | Qmin | 最小读数 | 最大读数 |
| 大流 | 常用流量 | 分界 | 下流 | |||||
| DN(mm) | m3/h | L/h | m3 | |||||
| 15 | 1/2" | B | 3 | 1.5 | 120 | 30 | 0.00005 | 99999 |
| C | 22.5 | 15 | ||||||
| 20 | 3/4" | B | 5 | 2.5 | 200 | 50 | 0.00005 | 99999 |
| C | 37.5 | 25 | ||||||
| 25 | 1" | B | 7 | 3.5 | 280 | 70 | 0.00005 | 99999 |
| C | 52.5 | 35 | ||||||
| 32 | 11/4" | B | 12 | 6 | 480 | 120 | 0.00005 | 99999 |
| C | 90 | 60 | ||||||
| 40 | 11/2" | B | 20 | 10 | 800 | 200 | 0.00005 | 99999 |
| C | 150 | 100 | ||||||
| 50 | 2" | B | 30 | 15 | 3000 | 450 | 0.00005 | 99999 |
| C | 225 | 90 | ||||||
| 公称口径 | 毫米(mm) | 15 | 20 | 25 | 32 | 40 | 50 |
| 英寸 | 1/2" | 3/4" | 1" | 11/4" | 11/2" | 2" | |
| Q?(m3/h) | 3.125 | 5 | 7.875 | 12.5 | 20 | 31.25 | |
| Q?(m3/h) | 2.5 | 4 | 6.3 | 10 | 16 | 25 | |
| R80 | Q?(L/h) | 50 | 80 | 126 | 200 | 320 | 500 |
| Q?(L/h) | 31.25 | 50 | 78.75 | 125 | 200 | 312.5 | |
| R100 | Q?(L/h) | 40 | 64 | 100.8 | 160 | 256 | 400 |
| Q?(L/h) | 25 | 40 | 63 | 100 | 160 | 250 | |
| R125 | Q?(L/h) | 32 | 51.2 | 80.64 | 128 | 204.8 | 320 |
| Q?(L/h) | 20 | 32 | 50.4 | 80 | 128 | 200 | |
| R160 | Q?(L/h) | 25 | 40 | 63 | 100 | 160 | 250 |
| Q?(L/h) | 15.62 | 25 | 39.37 | 62.5 | 100 | 156.2 | |
| 最小读数(m3) | 0.00005 | ||||||
| 最大读数(m3) | 99999 | ||||||
| 最大承受压力(MAP) | 16 | ||||||
| 压损(ΔP) | 63 | ||||||
五、最大允许误差
?、?低区 (Q?≤Q<Q?) 最大允许误差为±5%
?、?高区 (Q?≤Q≤Q?) 最大允许误差为±2%

六、压力损失曲线

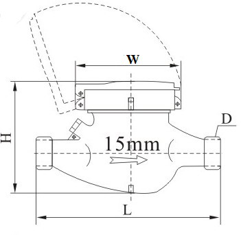
七、外形及规格尺寸

| 公称口径 DN | 长 L | 宽 D | 高 H | 连接螺纹 |
| mm | D | |||
| 15 | 165/190 | 98 | 104 | G?B |
| 20 | 190/195 | 98 | 106 | G1B |
| 25 | 260/225 | 103 | 115 | G1?B |
| 32 | 260/230 | 103 | 115 | G1?B |
| 40 | 300/245 | 124 | 153 | G2B |
| 50 | 300 | 124 | 153 | G2?B |
| 280 | 165 | 175 | 法兰连接 GB 4216.4 | |