一、产品简介
LXLCZ-40~600系列大口径光电直读远传水表是采用了光电技术直接读取字轮码盘用水数据的大口径远传水表。具有计量精度高、始动流量小、抄表方便、外型美观、安全卫生、寿命长等特点。在平常无须供电,只有抄表瞬间供电,功耗低,且直读电子??橛爰剖低趁挥谢到哟ィ换嵊跋毂砑频募屏啃阅?,不存在累计计量误差。
二、产品特点
1.采用可拆的螺翼式计量结构。
2.低功耗设计,只有读数和阀门开关时才需供电。
3.直接读取字轮数据,可将读数误差降低至零。
4.采用数据编码及校验技术,通讯可靠性高。
5.水表输出的总线只需挂接,维护非常方便。
6.计量性能优良:光电传感器固定在表内的非转动部位,不接触任何机械转动部分,通过发光、反光来采集信号,因此不会产生计量方面的问题。
7.制造工艺独特:由于采用在字轮周围分布光电传感器的方案,这一部分可以单独制作,然后在不影响表计结构的前提下,安装在表内。生产过程简单,组装容易,适合大批量生产,而且该部分可以单独测试,保证了产品的可靠性。
8.模块通用性好:光电直读水表通用性好、可加工性强、适应能力强。其字轮直读部分可以制作成为总成,其中包括印有特殊标记的字轮、表盘上夹板、电子部分。该总成可有专门的生产厂家一次制成,可适应国内大多干式和液封式水表。
9.运行时间长:使用寿命大大延长。由于和表计的机械转动部分不接触,不会对表计的常年运行造成影响。同时,光电传感器平时不工作也不通电,电子部分的可靠工作时间远远大于机械表计的使用寿命。所以,适合长期运行和重复使用。
三、流量技术参数
| 型号 | 公称口径 DN | 计量等级 | 过载流量 Q? | 常用流量 Q? | 分界流量 Q? | 最小流量 Q? | 最小读数 Min | 最大读数 Max |
| mm | m3/h | m3 | ||||||
| LXLCZ-40 | 40 | B | 20 | 10 | 0.8 | 0.2 | 0.0002 | 999999 |
| LXLCZ-50 | 50 | B | 30 | 15 | 3 | 0.45 | 0.0002 | 999999 |
| LXLCZ-65 | 65 | B | 50 | 25 | 5 | 0.75 | 0.0002 | 999999 |
| LXLCZ-80 | 80 | B | 80 | 40 | 8 | 1.2 | 0.002 | 999999 |
| LXLCZ-100 | 100 | B | 120 | 60 | 12 | 1.8 | 0.002 | 999999 |
| LXLCZ-125 | 125 | B | 200 | 100 | 20 | 3 | 0.002 | 999999 |
| LXLCZ-150 | 150 | B | 300 | 150 | 30 | 4.5 | 0.002 | 999999 |
| LXLCZ-200 | 200 | B | 500 | 250 | 50 | 7.5 | 0.002 | 999999 |
| LXLCZ-250 | 250 | B | 800 | 400 | 80 | 12 | 0.002 | 999999 |
| LXLCZ-300 | 300 | B | 1200 | 600 | 120 | 18 | 0.02 | 9999999 |
| LXLCZ-350 | 350 | B | 1600 | 800 | 160 | 24 | 0.02 | 999999999 |
| LXLCZ-400 | 400 | B | 2000 | 1000 | 200 | 30 | 0.02 | 999999999 |
| LXLCZ-500 | 500 | B | 3000 | 1500 | 300 | 45 | 0.02 | 999999999 |
| LXLCZ-600 | 600 | B | 6000 | 3000 | 600 | 90 | 0.02 | 999999999 |
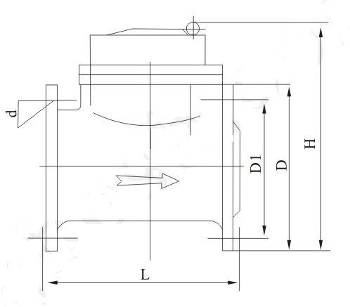
四、外形及规格尺寸

| 型号 | 公称口径 DN | 长 L | 宽 B | 高 H | 连接螺纹 | ||
| mm | mm | 法兰外径 D | 螺栓孔中心圆直径 D1 | 连接螺栓 | |||
| LXLCZ-40 | 40 | 200 | 256 | 400 | 165 | 125 | 4xM16 |
| LXLCZ-50 | 50 | 200 | 256 | 400 | 185 | 145 | 4xM16 |
| LXLCZ-65 | 65 | 225 | 276 | 400 | 200 | 160 | 8xM16 |
| LXLCZ-80 | 80 | 250 | 286 | 400 | 220 | 180 | 8xM16 |
| LXLCZ-100 | 100 | 250 | 301 | 400 | 250 | 210 | 8xM16 |
| LXLCZ-125 | 125 | 300 | 346 | 500 | 285 | 240 | 8xM20 |
| LXLCZ-150 | 150 | 350 | 373 | 500 | 340 | 295 | 8xM20 |
| LXLCZ-200 | 200 | 450 | 493 | 730 | 395 | 350 | 12xM20 |
| LXLCZ-250 | 250 | 500 | 516 | 730 | 445 | 400 | 12xM20 |
| LXLCZ-300 | 300 | 500 | 560 | 730 | 520 | 470 | 12xM21 |
| LXLCZ-350 | 350 | 600 | 631 | 830 | 565 | 515 | 16xM24 |
| LXLCZ-400 | 400 | 800 | 785 | 930 | 715 | 650 | 20xM30 |
| LXLCZ-500 | 500 | 1000 | 865 | 1030 | 840 | 770 | 20xM33 |
| LXLCZ-600 | 600 | 1000 | 865 | 1030 | 840 | 770 | 20xM33 |
五、工作原理
目前市场上推出的大口径光电直读远传水表以采信方式加以区分有两大类,即对射式直读表和反射式直读表。对射式字轮上留有过光孔,在字轮一侧面安装发光管,另一侧安装光敏管。发光管通电后发出的光线通过过光孔照射到光敏管上,由光敏管进行光电转换,获取相应的信号电位。过光孔与每组光管的数量是经过严格计算后进行设计的,转动字轮,在读数0-9各个位置上,获取光线的光敏管位置及数量都不相同,由此进行编码。反射式直读表工作原理相同,所不同的是字轮上不制作过光孔,而是在字轮外圈印刷反射条码,发光管发出的光线不是直接照射到光敏管上,而是通过反射条码反射到光敏管上。
本类水表是对字轮采用编码的方式,就是二进制原理0-1编码方式。每一个代码对应一个字轮可以读到的数字。在抄表的时候只需要给一个脉冲电流即可,就可以读到水表的读数。
六、大口径光电直读远传水表与脉冲远传水表对比
光电直读远传水表上读出的数据就是表盘上显示的数据,不是脉冲累加数据;水表数据以机械方式记录在字轮上,平时不需供电,只在读取数据的瞬间上电。因此,不怕停电、不怕断线。从理论上讲,它读出的数据和表盘数据是一致的。
而脉冲远传水表传出的信号是脉冲,微机将远传的一个个脉冲累加成数据,如果累加得准确无误,其数据等于表盘数据。但是,在这一累加过程中,无论线路中断还是后备电池断电,累加就会中断并造成数据错误,重新修复后,底数也要重新设置。
从以上两者的对比可以看出,显然大口径光电直读远传水表要更胜一筹,所以,自从光电直读水表的概念产生以来,一直受到人们的追宠和关注。未来,脉冲水表将逐步被取代。