一、产品简介
LXLCY-40WL~600WL系列大口径无线远传水表采用了水平干式可拆卸螺翼式水表为基表,是用来测量单向水流的自来水管道饮用冷水的总量及水表数据远距离传输的智能仪表。水表的通讯采用了Lora或NBioT通讯模块,把水表窗口示值直接上传给网络采集设备,从而完成数据的采集、分析和监测。是水务集团、厂矿企业、政府有关用水部门对水资源测控的较理想产品。本产品符合GB/T778.1~3-2007、CJ/T224-2012标准。
本类水表配合智能抄表系统设备及软件,就能组成智能抄表系统,实现远程抄表及数据管理等功能。
二、产品特点
1.大口径无线远传水表采用分体式设计,安装及维护更加简单方便;
2.采用先进的数据编码及校验技术,通讯可靠性高;
3.采用水平螺翼式计量结构,计量精度高、抄表方便、外型美观;
4.无线模块与基表采用分体式安装,互换性好,电子单元安装在独立的全密封腔体内,防水性能达到IP68等级。
三、基表性能参数
1.脉冲常数:1P/100L 或1P/1m3(1P/1000L)可根据客户定制;
2.水温:0.1~+50℃(冷水)、0.1~+90℃(热水) 湿度:0~95%RH;
3.最大允许通水压力:1MPa;最大压力损失:0.063Mpa;
4.机电转换误差:ΔV≤±1个机电转换信号当量。
四、流量技术参数
| 型号 | 公称口径 DN | 计量等级 | 过载流量 Q? | 常用流量 Q? | 分界流量 Q? | 最小流量 Q? | 最小读数 Min | 最大读数 Max |
| mm | m3/h | m3 | ||||||
| LXLCY-40WL | 40 | B | 20 | 10 | 0.8 | 0.2 | 0.0002 | 999999 |
| LXLCY-50WL | 50 | B | 30 | 15 | 3 | 0.45 | 0.0002 | 999999 |
| LXLCY-65WL | 65 | B | 50 | 25 | 5 | 0.75 | 0.0002 | 999999 |
| LXLCY-80WL | 80 | B | 80 | 40 | 8 | 1.2 | 0.002 | 999999 |
| LXLCY-100WL | 100 | B | 120 | 60 | 12 | 1.8 | 0.002 | 999999 |
| LXLCY-125WL | 125 | B | 200 | 100 | 20 | 3 | 0.002 | 999999 |
| LXLCY-150WL | 150 | B | 300 | 150 | 30 | 4.5 | 0.002 | 999999 |
| LXLCY-200WL | 200 | B | 500 | 250 | 50 | 7.5 | 0.002 | 999999 |
| LXLCY-250WL | 250 | B | 800 | 400 | 80 | 12 | 0.002 | 999999 |
| LXLCY-300WL | 300 | B | 1200 | 600 | 120 | 18 | 0.02 | 9999999 |
| LXLCY-350WL | 350 | B | 1600 | 800 | 160 | 24 | 0.02 | 999999999 |
| LXLCY-400WL | 400 | B | 2000 | 1000 | 200 | 30 | 0.02 | 999999999 |
| LXLCY-500WL | 500 | B | 3000 | 1500 | 300 | 45 | 0.02 | 999999999 |
| LXLCY-600WL | 600 | B | 6000 | 3000 | 600 | 90 | 0.02 | 999999999 |
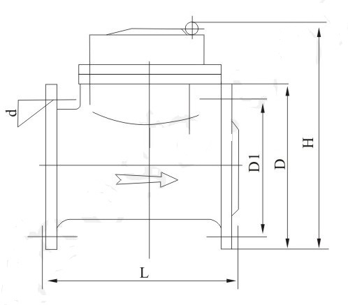
五、外形及规格尺寸


六、安装使用与维护方法
1.安装示意图

2. 模块不能浸泡在水中,安装时用螺钉固定在牢固墙面,引出天线不能被金属材质的水表井覆盖,避免信号屏蔽无法远程抄表。
3.基表输出引线定义

七、水表配件
随同每只水表附带法兰垫片2只,合格证1份,产品说明书1份。
八、注意事项
大口径无线远传水表正常工作的环境温度应在0℃以上,在冬天来临前及寒冷地区,水表的使用、管理部门请务必做好水表防冻工作。
凡是因水表安装不当、使用不当、管道破裂、水表结冰、冷冻等原因造成的水表损坏、漏水及因停水、漏水产生的其它相关损失(如漏水浸泡地板、家具、设备等)一律由水表的管理者、使用者负责,产品供应商和生产厂家不承担任何责任。
九、运输储存
大口径无线远传水表运输和拆封不应受到剧烈冲击,应根据《CJ/T 224-2012电子远传水表》行业标准的规定运输和储存。水表应保存在原包装内,保存的地方环境温度为5℃~50℃,相对湿度不超过90%,层叠高度不超过五层,空气中无腐蚀性气体。