一、视频实拍
二、产品简介
LXH-15E~20E系列水平容积式水表是一种小口径规格的旋转活塞式水表,其特点是计量等级高、小流量计量能力强、灵敏度高。国内目前主要用于流经管道内纯净水的计量。采用的是通过测量实际流量体积,积算出累计的用水流量。由于本款水表结构较复杂,成本较高且对水质要求较高,因而暂时无法在我国大范围推广使用。
三、产品类型
铜壳款

塑壳款

320度旋转计数器款

四、产品特点
1.始动流量小,灵敏度较高。
2.机芯由计数机构及计量机构组成,计数机构由插销、齿轮盒及计数器组成,计量机构由计量室、活塞转子、隔板、衬套、拨叉及盖板组成。
2.计量精度高该表各项技术指标符合ISO4064 C级或D级标准或R160、R200、R315标准。
3.干式计数器采用真空密封,可防冷凝雾化,能长期保持读数的清晰。
4.有防磁功能,可有效防止外部磁场干扰。
5.内置过滤网及进水口滤网。
五、流量技术参数
| 公称口径 | 计量等级 | Qmax | Qn | Qt | Qmin | 最小读数 | 最大读数 |
| 最大流量 | 常用流量 | 分界流量 | 最小流量 | ||||
| DN(mm) | m3/h | L/h | m3 | ||||
| 15 | C | 3 | 1.5 | 22.5 | 15 | 0.00005 | 99999 |
| D | 17.2 | 11.2 | |||||
| 20 | C | 5 | 2.5 | 37.5 | 25 | 0.00005 | 99999 |
| D | 28.7 | 18.7 | |||||
| 公称口径 | 计量等级 | Q? | Q? | Q? | Q? | 最小读数 | 最大读数 |
| 过载流量 | 常用流量 | 分界流量 | 最小流量 | ||||
| DN(mm) | m3/h | L/h | m3 | ||||
| 15 | R160 | 3.125 | 2.5 | 25.00 | 15.625 | 0.00005 | 99999 |
| R200 | 20.00 | 12.5 | |||||
| R315 | 12.70 | 7.94 | |||||
| 20 | R160 | 5 | 4 | 40.00 | 25 | 0.00005 | 99999 |
| R200 | 32.00 | 20 | |||||
| R315 | 20.32 | 12.70 | |||||
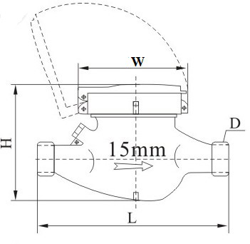
六、外形及规格尺寸

| 型号 | 公称口径 DN | 长 L | 长 L1 | 宽 W | 连接螺纹 |
| mm | D | ||||
| LXH-15E | 15 | 165/190 | 95 | 115 | G?B |
| LXH-20E | 20 | 195 | 110 | 121 | G1B |