一、视频实拍
二、产品简介
LXS-15F~65F系列旋翼多流液封水表,用于抄表的计数字轮或整个计数器全部用一定浓度的甘油等配制液体密封。本类水表的密封隔离计数器内的清晰度不受外部水质的影响,其余的结构性能与湿式水表相同。
旋翼多流全液封水表
旋翼多流半液封水表
三、产品特点
1.水平安装;
2.多流束;
3.机械传动;
4.计数器的数字轮用特种液体封装,可长期保持读数清晰;
5.具有湿式水表始动流量小,干式水表读数清晰的优点,适用于水质较差的管道网络;
6.采用优质材料,性能稳定可靠;
7.计量精度可达ISO 4064 C级(R160);
8.可根据用户需要生产同型号的高灵敏度水表;
9.水表外壳有塑壳、铁壳、铜壳和不锈钢壳等可选,其中铜壳可选本色或喷塑;
10.适用于≤50℃的冷水;
11.水压≤1.6MPa (16bar)。
四、流量技术参数
| 型号 | 公称口径 | 英寸 | 计量等级 | Qmax | Qn | Qt | Qmin | 最小读数 | 最大读数 |
| 最大流量 | 常用流量 | 分界流量 | 最小流量 | ||||||
| DN(mm) | m3/h | L/h | m3 | ||||||
| LXS-15F | 15 | 1/2" | B | 3 | 1.5 | 120 | 30 | 0.00005 | 99999 |
| C | 22.5 | 15 | |||||||
| LXS-20F | 20 | 3/4" | B | 5 | 2.5 | 200 | 50 | 0.00005 | 99999 |
| C | 37.5 | 25 | |||||||
| LXS-25F | 25 | 1" | B | 7 | 3.5 | 280 | 70 | 0.00005 | 99999 |
| C | 52.5 | 35 | |||||||
| LXS-32F | 32 | 11/4" | B | 12 | 6 | 480 | 120 | 0.00005 | 99999 |
| C | 90 | 60 | |||||||
| LXS-40F | 40 | 11/2" | B | 20 | 10 | 800 | 200 | 0.00005 | 99999 |
| C | 150 | 100 | |||||||
| LXS-50F | 50 | 2" | B | 30 | 15 | 3000 | 450 | 0.00005 | 99999 |
| C | 225 | 90 | |||||||
| LXS-65F | 65 | 21/2" | B | 50 | 25 | 5000 | 750 | 0.00005 | 99999 |
| C | 375 | 150 | |||||||
| 型号 | LXS-15F | LXS-20F | LXS-25F | LXS-32F | LXS-4OF | LXS-50F | LXS-65F | |
| 公称口径 | 毫米(mm) | 15 | 20 | 25 | 32 | 40 | 50 | 65 |
| 英寸 | 1/2" | 3/4" | 1" | 11/4" | 11/2" | 2" | 21/2" | |
| Q?(m3/h) | 3.125 | 5 | 7.875 | 12.5 | 20 | 31.25 | 50 | |
| Q?(m3/h) | 2.5 | 4 | 6.3 | 10 | 16 | 25 | 40 | |
| R80 | Q?(L/h) | 50 | 80 | 126 | 200 | 320 | 500 | 800 |
| Q?(L/h) | 31.25 | 50 | 78.75 | 125 | 200 | 312.5 | 500 | |
| R100 | Q?(L/h) | 40 | 64 | 100.8 | 160 | 256 | 400 | 640 |
| Q?(L/h) | 25 | 40 | 63 | 100 | 160 | 250 | 400 | |
| R125 | Q?(L/h) | 32 | 51.2 | 80.64 | 128 | 204.8 | 320 | 512 |
| Q?(L/h) | 20 | 32 | 50.4 | 80 | 128 | 200 | 320 | |
| R160 | Q?(L/h) | 25 | 40 | 63 | 100 | 160 | 250 | 400 |
| Q?(L/h) | 15.62 | 25 | 39.37 | 62.5 | 100 | 156.2 | 250 | |
| 最小读数(m3) | 0.00005 | 0.00005 | 0.00005 | 0.00005 | 0.00005 | 0.00005 | 0.00005 | |
| 最大读数(m3) | 99999 | 99999 | 99999 | 99999 | 99999 | 99999 | 99999 | |
| 最大承受压力(MAP) | 16 | 16 | 16 | 16 | 16 | 16 | 16 | |
| 压损(ΔP) | 63 | 63 | 63 | 63 | 63 | 63 | 63 | |
| 最高温度 | T50 | T50 | T50 | T50 | T50 | T50 | T50 | |
五、最大允许误差
?、?低区 (Q?≤Q<Q?) 最大允许误差为±5%;
?、?高区 (Q?≤Q≤Q?) 最大允许误差为±2% (热水表±3%)。

六、压力损失曲线

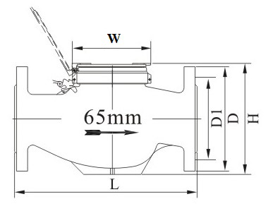
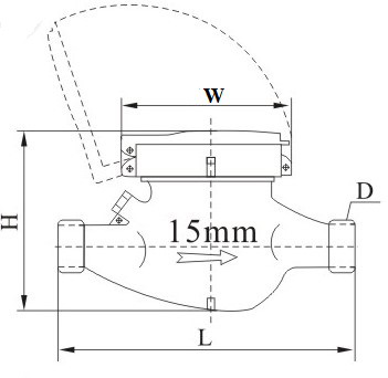
七、外形及规格尺寸
![]() | ![]() |
| 型号 | 公称口径 DN | 长 L | 宽 D | 高 H | 连接螺纹 |
| mm | D | ||||
| LXS-15F | 15 | 165/190 | 98 | 104 | G?B |
| LXS-20F | 20 | 190/195 | 98 | 106 | G1B |
| LXS-25F | 25 | 260/225 | 103 | 115 | G1?B |
| LXS-32F | 32 | 260/230 | 103 | 115 | G1?B |
| LXS-40F | 40 | 300/245 | 124 | 153 | G2B |
| LXS-50F | 50 | 300 | 124 | 153 | G2?B |
| 280 | 165 | 175 | 法兰连接 GB 4216.4 | ||
| LXS-65F | 65 | 280 | 165 | 179 | |