一、产品简介
LXLCK-40~LXLCK-600系列大口径预付费水表是以带有发讯装置的冷水可拆卸螺翼式水表为计量基表,以射频卡为信息载体,加装控制箱和电控阀组成的一种具有结算功能的水量计量仪表。
二、产品特点
1. 大口径预付费水表选用锂电池,无需外接电源,功耗低,内部锂电池常规情况下可使用三年以上,不受安装条件限制;
2. 预付费读取功能;
3. 数据传输和保存的管理功能;
4、当电池电量不足时自动关闭阀门;
5、人为破坏时自动报警并自动关闭阀门;
6、当用户所购水量剩余量为“***”吨(可设置)时,控制器自动关阀报警,提示用户购水,当再次刷用户卡后恢复供水;
7、在水表遭受攻击后立即关闭阀门,只有当售水部门检查完水表后方可开阀供水;
8、在购买水量用尽,阀门关闭后若控制器仍能收到发信水表发出的记数信号,则控制器显示的剩余水量将出现负数并再次自动关阀;
9、具有定时开关阀的功能,有效防止因阀门长期未开关而锈死的现象。
三、性能参数
| 压力损失 | ≤0.063MPa |
| 工作水压 | ≤1MPa |
| 示值误差 | 水温在0.1℃至30℃范围以内时,水表的最大允许误差在高区(Q?≤Q≤Q?)为±2%,低区(Q?≤Q<Q?)为±5%,水温超过30℃时,水表在高区的最大允许误差为±3%,低区仍为±5%。 |
| 使用条件 | 冷水水表:水温0.1℃~30℃,相对湿度<85%; 热水水表:水温0.1℃~90℃,相对湿度<85%; |
| 工作电压 | 3.6V锂电池 |
| 电流 | 平均电流:<15uA,静态电流参考值7uA左右 |
| 数据保护 | 自行数据记忆,掉电保存时间≥10年 |
| 安装方式 | 水平安装 |
四、流量技术参数
| 型号 | 公称口径 DN | 计量等级 | 过载流量 Q? | 常用流量 Q? | 分界流量 Q? | 最小流量 Q? | 最小读数 Min | 最大读数 Max |
| mm | m3/h | m3 | ||||||
| LXLCK-40 | 40 | B | 20 | 10 | 0.8 | 0.2 | 0.0002 | 999999 |
| LXLCK-50 | 50 | B | 30 | 15 | 3 | 0.45 | 0.0002 | 999999 |
| LXLCK-65 | 65 | B | 50 | 25 | 5 | 0.75 | 0.0002 | 999999 |
| LXLCK-80 | 80 | B | 80 | 40 | 8 | 1.2 | 0.002 | 999999 |
| LXLCK-100 | 100 | B | 120 | 60 | 12 | 1.8 | 0.002 | 999999 |
| LXLCK-125 | 125 | B | 200 | 100 | 20 | 3 | 0.002 | 999999 |
| LXLCK-150 | 150 | B | 300 | 150 | 30 | 4.5 | 0.002 | 999999 |
| LXLCK-200 | 200 | B | 500 | 250 | 50 | 7.5 | 0.002 | 999999 |
| LXLCK-250 | 250 | B | 800 | 400 | 80 | 12 | 0.002 | 999999 |
| LXLCK-300 | 300 | B | 1200 | 600 | 120 | 18 | 0.02 | 9999999 |
| LXLCK-350 | 350 | B | 1600 | 800 | 160 | 24 | 0.02 | 999999999 |
| LXLCK-400 | 400 | B | 2000 | 1000 | 200 | 30 | 0.02 | 999999999 |
| LXLCK-500 | 500 | B | 3000 | 1500 | 300 | 45 | 0.02 | 999999999 |
| LXLCK-600 | 600 | B | 6000 | 3000 | 600 | 90 | 0.02 | 999999999 |
五、最大允许误差
?、?低区 (Q?≤Q<Q?) 最大允许误差为±5%
?、?高区 (Q?≤Q≤Q?) 最大允许误差为±2% (热水表为±3%)

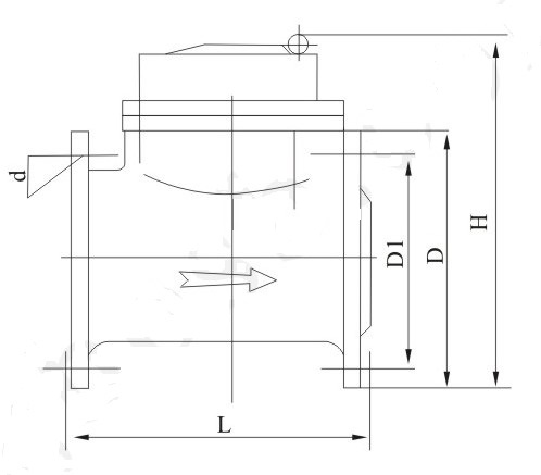
六、外形及规格尺寸

| 公称口径 DN | 长 L | 宽 W | 高 H | 连接螺纹 | ||
| mm | 法兰外径 D | 螺栓孔中心圆直径 D1 | 连接螺栓 | |||
| 40 | 200 | 256 | 400 | 165 | 125 | 4xM16 |
| 50 | 200 | 256 | 400 | 165 | 125 | 4xM16 |
| 65 | 200 | 256 | 400 | 185 | 145 | 4xM16 |
| 80 | 225 | 276 | 400 | 200 | 160 | 8xM16 |
| 100 | 250 | 286 | 400 | 220 | 180 | 8xM16 |
| 125 | 250 | 301 | 400 | 250 | 210 | 8xM16 |
| 150 | 300 | 346 | 500 | 285 | 240 | 8xM20 |
| 200 | 350 | 373 | 500 | 340 | 295 | 8xM20 |
| 250 | 450 | 493 | 730 | 395 | 350 | 12xM20 |
| 300 | 500 | 516 | 730 | 445 | 400 | 12xM20 |
| 350 | 500 | 560 | 730 | 520 | 470 | 12xM21 |
| 400 | 600 | 631 | 830 | 565 | 515 | 16xM24 |
| 500 | 800 | 785 | 930 | 715 | 650 | 20xM30 |
| 600 | 1000 | 865 | 1030 | 840 | 770 | 20xM33 |